

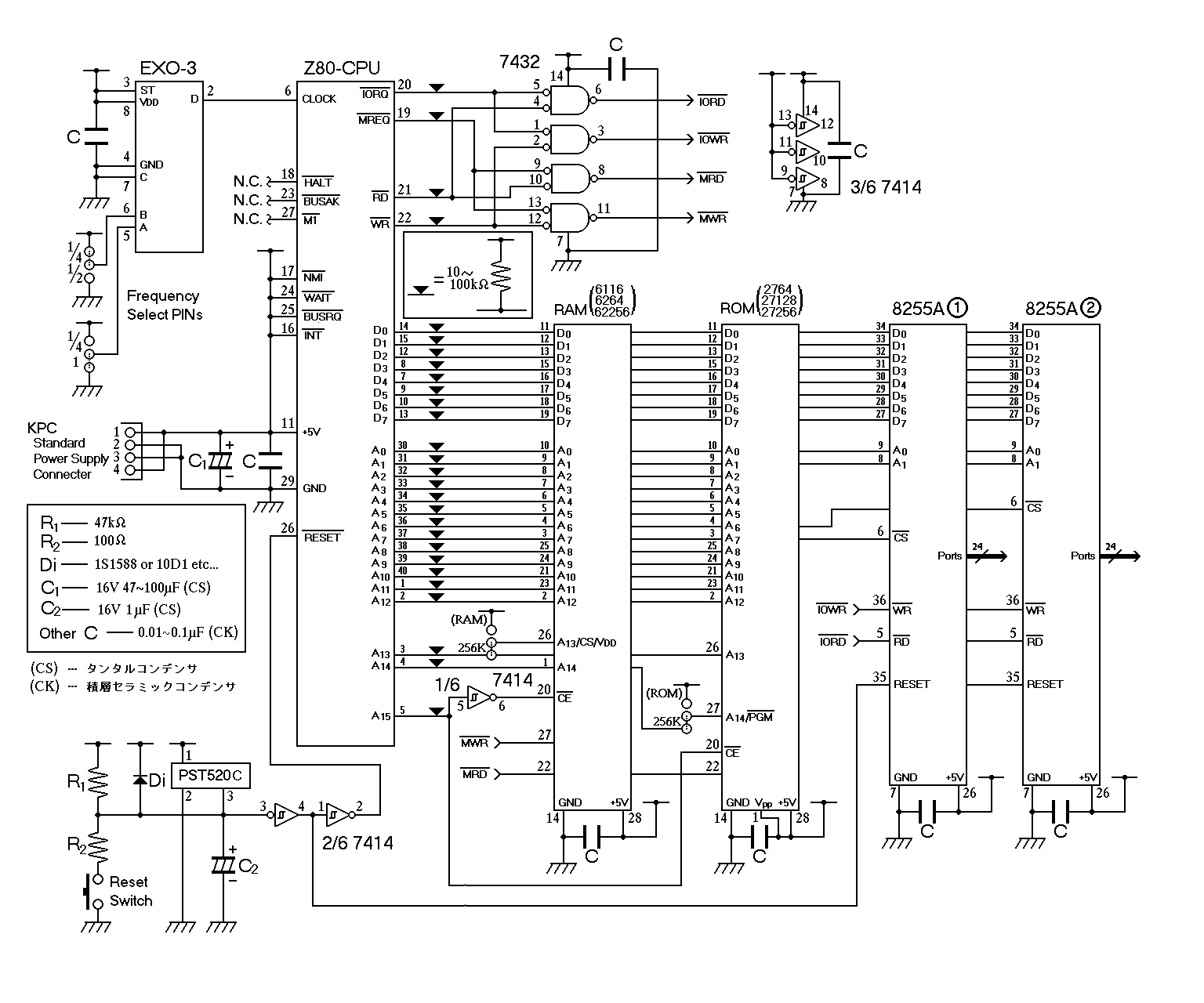
Memory map: EPROM = 0000h - 7fffh RAM = 8000h - ffffh IO map: Base adr. PIO 1 = 40h Base adr. PIO 2 = 80h
Comment by Giampaolo Minetti:
The two periferals mapped in the I/O space at $40 (PIO1) and $80 (PIO2) are supposed to be
selected when their \CS pin is brought low. However, their \CS pin is connected to A6 (PIO1)
and A7 (PIO2) which go HIGH when the values $40 and $80 are put on the address bus!
Therefore, an inverter is needed between A6 and \CS of PIO1 and between A7 and \CS of PIO2.