
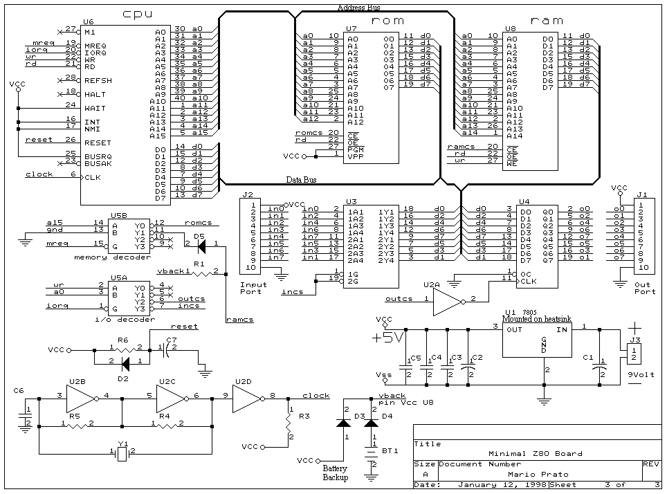
Mario's Small Z80 system
Here is a small Z80 system. This project is good for first time, Z80 hardware and software home study.
The original project and page is made by Mario Prato from Italy.
Minimum Z80 system with:
- Clock 4 MHz
- 8 K EPROM
- 32 K RAM
- 8 bit output port
- 8 bit input port
Documentation for this project:
Mario also did some nice software for this project:
- Test output ports
- Test input ports
- LED scroll text, with 10 matrix displays, and a software made serial port and improved PCB layout DownLoad it
- Read about the LED project Here